Khi xây nhà phố 5 tầng, bản vẽ kết cấu nhà 5 tầng quyết định độ bền vững của toàn bộ công trình. Bài viết này phân tích chi tiết hệ thống móng cọc khoan nhồi, cột chịu lực và giằng móng cho căn nhà tân cổ điển 5x20m — từ nguyên lý thiết kế đến các lưu ý thi công thực tế mà chủ đầu tư cần nắm rõ trước khi khởi công.
Phối cảnh nhà phố 5 tầng tân cổ điển mặt tiền 5mPhối cảnh tổng thể nhà phố 5 tầng tân cổ điển mặt tiền 5m, chiều sâu 20m
Thiết kế kiến trúc nhà phố 5 tầng kết hợp kinh doanhMẫu thiết kế nhà tân cổ điển 5x20m diện tích 100m² kết hợp kinh doanh tầng trệt
Mặt đứng nhà phố 5 tầng phong cách tân cổ điểnMặt đứng công trình nhà phố 5 tầng với hệ thống cột và dầm chịu lực rõ ràng
Hệ Thống Móng Cọc Khoan Nhồi Cho Nhà 5 Tầng
Với tải trọng từ 5 tầng cộng tầng tum, móng băng đơn thuần không đủ khả năng chịu lực trên nền đất yếu. Bản vẽ kết cấu nhà 5 tầng này áp dụng móng cọc khoan nhồi — giải pháp truyền tải trọng xuống tầng đất cứng sâu hơn, phù hợp với địa chất đô thị hiện nay.
Cọc khoan nhồi hoạt động theo cơ chế: máy khoan tạo lỗ đến độ sâu thiết kế (thường 12-18m), hạ lồng thép xuống, sau đó đổ bê tông trực tiếp vào lỗ khoan. Khác với cọc đóng (gây rung động, ảnh hưởng nhà lân cận), cọc khoan nhồi thi công êm, phù hợp khu dân cư.
Bản vẽ mặt bằng tường móng thể hiện vị trí các trục móng và kích thước tường chịu lực
Mặt bằng giằng móng nhà 5 tầngHệ thống giằng móng liên kết các đài móng, tăng độ cứng vững cho nền móng
Trong thực tế thi công, cần lưu ý: nước ngầm cao sẽ làm sập lỗ khoan trước khi đổ bê tông. Giải pháp là dùng ống chống vách (casing) hoặc dung dịch bentonite để giữ thành lỗ khoan ổn định. Đây là chi tiết mà nhiều đơn vị thi công bỏ qua, dẫn đến chất lượng cọc không đạt.
Mặt bằng móng nhà phố 5 tầngBản vẽ mặt bằng móng chi tiết vị trí đài móng và kích thước móng băng
Mặt bằng cọc khoan nhồi nhà 5 tầngBố trí cọc khoan nhồi theo lưới, đảm bảo phân bố đều tải trọng xuống nền đất
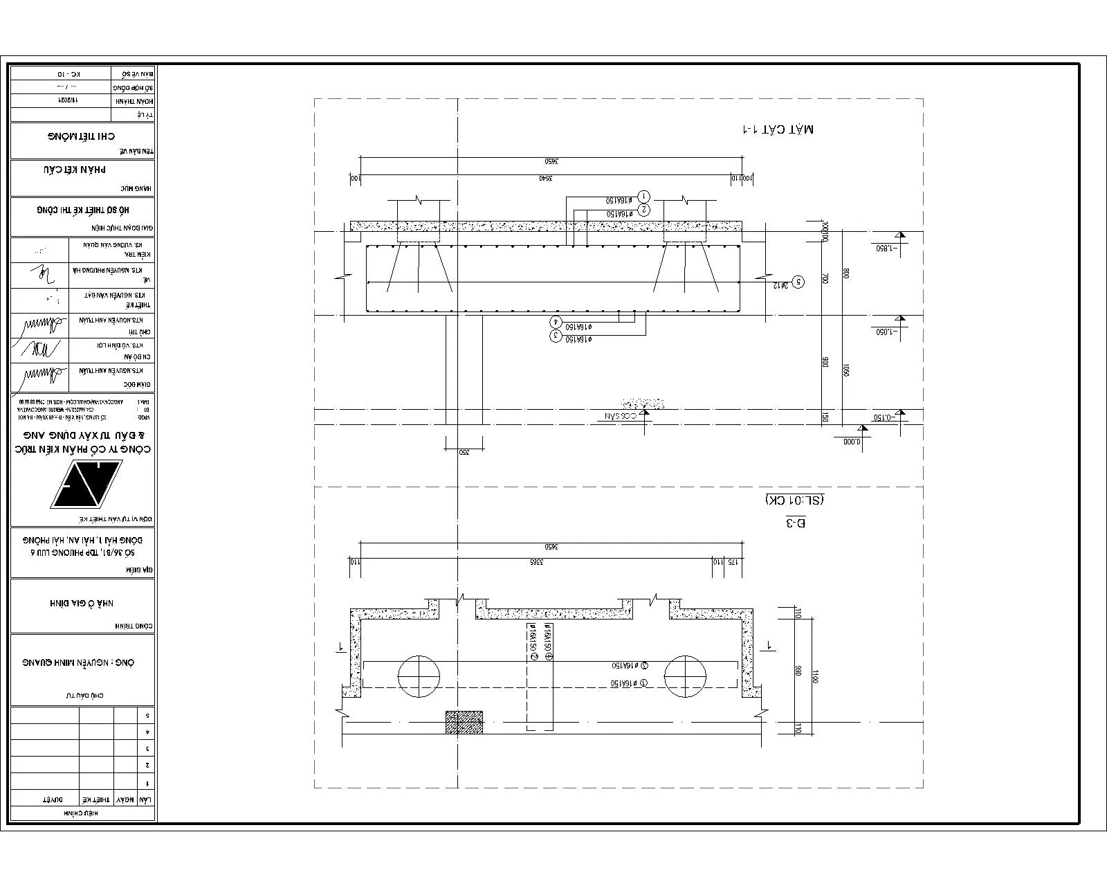
Chi Tiết Đài Móng Và Dầm Móng
Đài móng là khối bê tông cốt thép nối cọc với cột. Bản vẽ kết cấu nhà 5 tầng yêu cầu đài móng có chiều cao tối thiểu 0.8m, bê tông M250, thép D16 bố trí theo hai phương với khoảng cách 150mm.
Sai lầm phổ biến: nhiều công trình chỉ chú trọng cọc mà bỏ qua chất lượng đài móng. Khi đài móng không đủ độ cứng, lực từ cột sẽ tập trung cục bộ, gây nứt đài và làm cọc chịu lực không đồng đều. Để tránh điều này, cần đảm bảo lớp bê tông lót dày tối thiểu 100mm dưới đài, và thép đai phải được neo chặt vào thép cọc.
Chi tiết đài móng nhà 5 tầngBản vẽ chi tiết đài móng thể hiện cốt thép chịu lực và kích thước bê tông
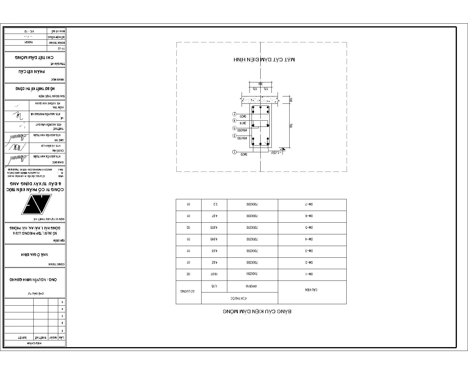
Chi tiết dầm móng nhà phố 5 tầngCấu tạo dầm móng liên kết các đài móng, tạo khung cứng cho toàn bộ hệ móng
Dầm móng (dầm giằng) liên kết các đài móng với nhau, tạo thành khung cứng chịu lực đồng đều. Tiết diện dầm móng thường 200x400mm, bê tông M250, thép chủ 4D16 + đai D8 a150. Dầm móng phải được đặt trên nền đất đã đầm chặt, tránh lún lệch cục bộ.
Chi tiết đài móng bổ sungBản vẽ chi tiết đài móng bổ sung cho các vị trí cột góc và cột biên
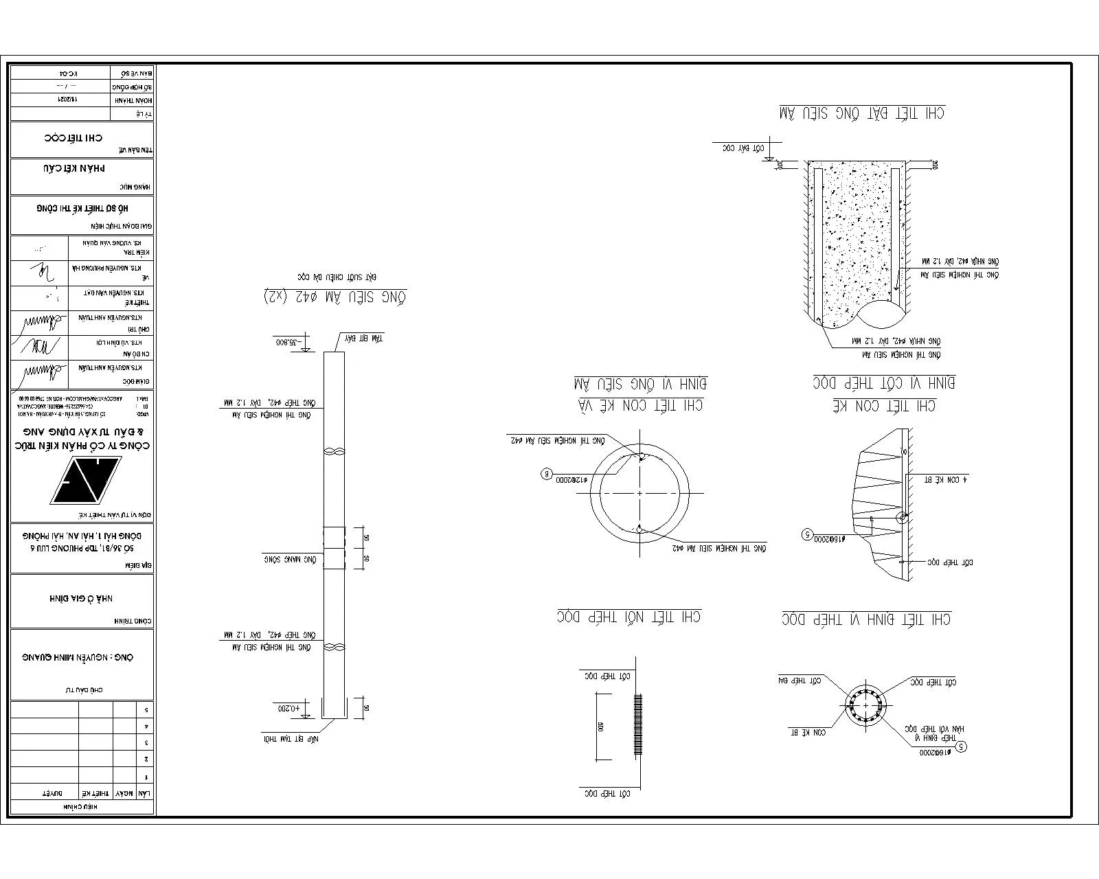
Cấu Tạo Cọc Khoan Nhồi Và Yêu Cầu Thi Công
Cọc khoan nhồi trong bản vẽ kết cấu nhà 5 tầng này có đường kính 400mm, chiều dài 15m, bê tông M300, lồng thép D16 a150. Độ sâu 15m được tính toán dựa trên báo cáo địa chất — đảm bảo mũi cọc chạm tầng đất cứng có sức chịu tải ≥ 200 kN/m².
Quy trình thi công cọc khoan nhồi chuẩn:
- Khoan lỗ đến độ sâu thiết kế, kiểm tra độ thẳng đứng bằng máy đo nghiêng
- Làm sạch đáy lỗ khoan bằng gầu múc bùn
- Hạ lồng thép xuống, đảm bảo lớp bê tông bảo vệ 50mm
- Đổ bê tông liên tục bằng phễu hoặc ống dẫn, tránh phân tầng
Chi tiết cọc khoan nhồi phần 1Bản vẽ chi tiết cọc khoan nhồi thể hiện lồng thép và kích thước cọc
Chi tiết cọc khoan nhồi phần 2Chi tiết neo thép cọc vào đài móng và yêu cầu chiều dài neo
Lưu ý quan trọng: bê tông cọc phải đổ liên tục trong một ca, không được gián đoạn quá 30 phút. Nếu gián đoạn lâu, bê tông đã đổ sẽ đông cứng, tạo mặt phân tầng yếu. Đây là nguyên nhân phổ biến khiến cọc bị gãy khi chịu tải.
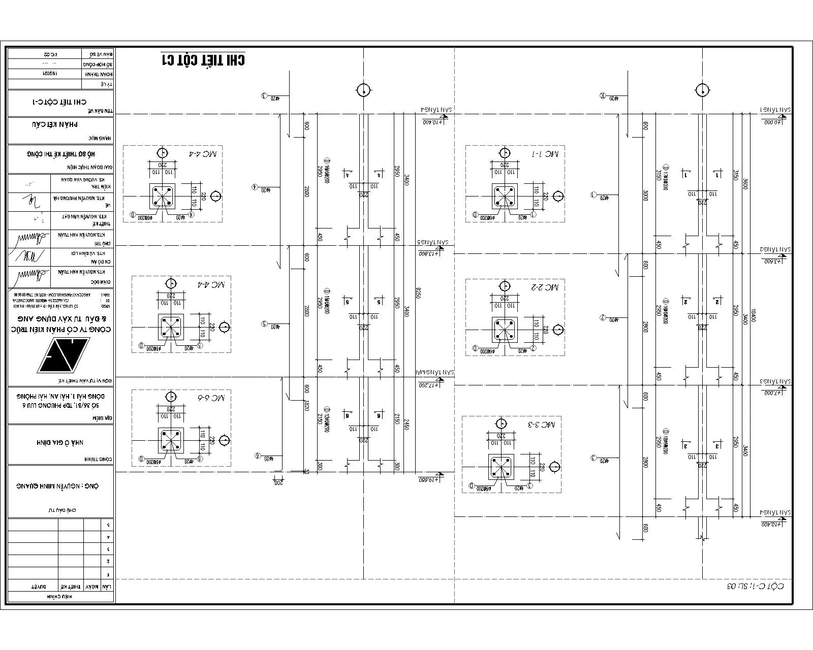
Hệ Thống Cột Chịu Lực Từ Tầng 1 Đến Tầng Tum
Cột là bộ phận truyền tải trọng từ sàn, dầm xuống móng. Bản vẽ kết cấu nhà 5 tầng này sử dụng cột bê tông cốt thép tiết diện 250x250mm cho cột biên, 300x300mm cho cột giữa — nơi chịu tải lớn hơn.
Thép cột chủ dùng D16, đai D8 a150 tại vùng thường, a100 tại vùng nút (giao với dầm). Việc giảm khoảng cách đai tại nút là bắt buộc theo TCVN 5574:2018, vì đây là vùng ứng suất tập trung cao nhất.
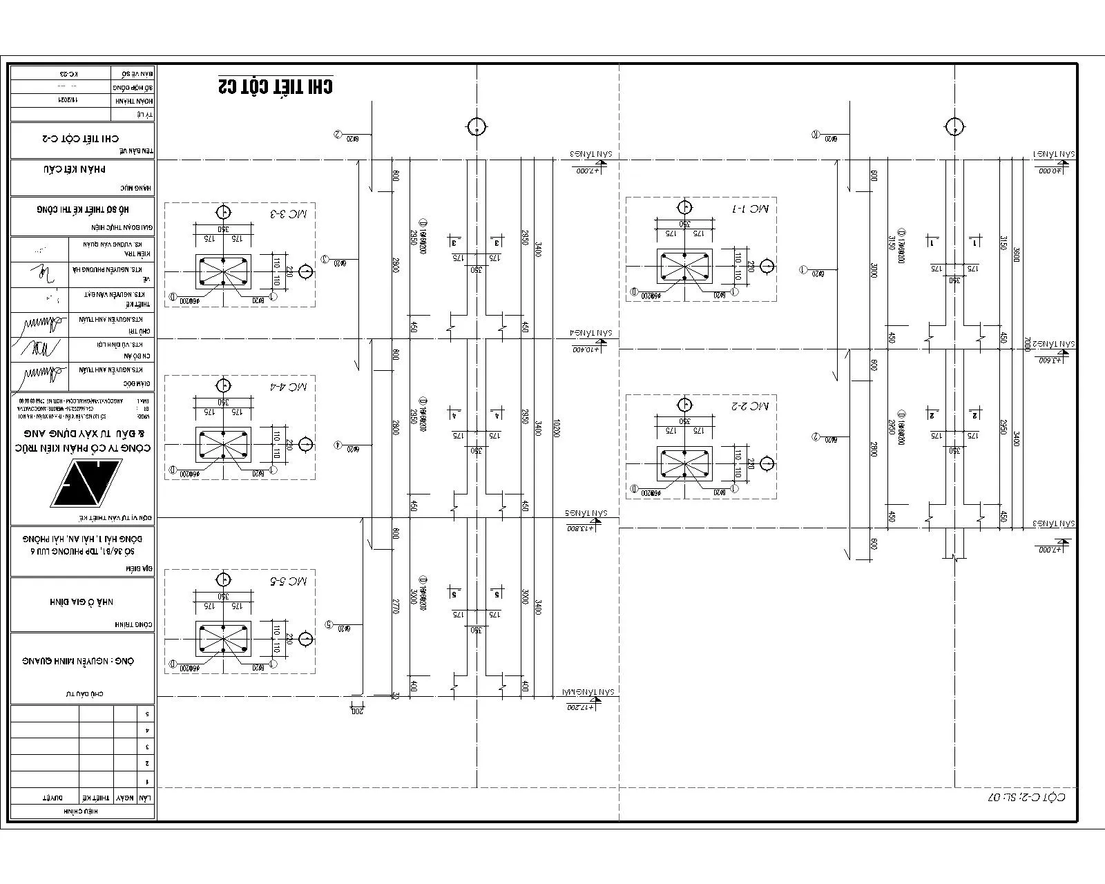
Mặt bằng cột tầng 1Bố trí cột tầng 1 với vị trí và kích thước cột rõ ràng
Mặt bằng cột tầng 2Mặt bằng cột tầng 2 thể hiện sự liên tục của hệ cột từ tầng 1
Mặt bằng cột tầng 3Bố trí cột tầng 3 đảm bảo trục cột thẳng đứng xuyên suốt công trình
Trong thi công, cần chú ý: cốt thép cột phải được neo chặt vào đài móng với chiều dài neo tối thiểu 40d (d là đường kính thép). Với thép D16, chiều dài neo là 640mm. Nhiều công trình chỉ neo 300-400mm, dẫn đến cột bị nhổ khỏi móng khi có động đất hoặc tải trọng ngang lớn.
Mặt bằng cột tầng 4Mặt bằng cột tầng 4 với hệ thống cột chịu lực ổn định
Mặt bằng cột tầng 5Bố trí cột tầng 5 trước khi lên tầng tum
Mặt bằng cột tầng tumMặt bằng cột tầng tum với tiết diện cột có thể giảm do tải trọng nhỏ hơn
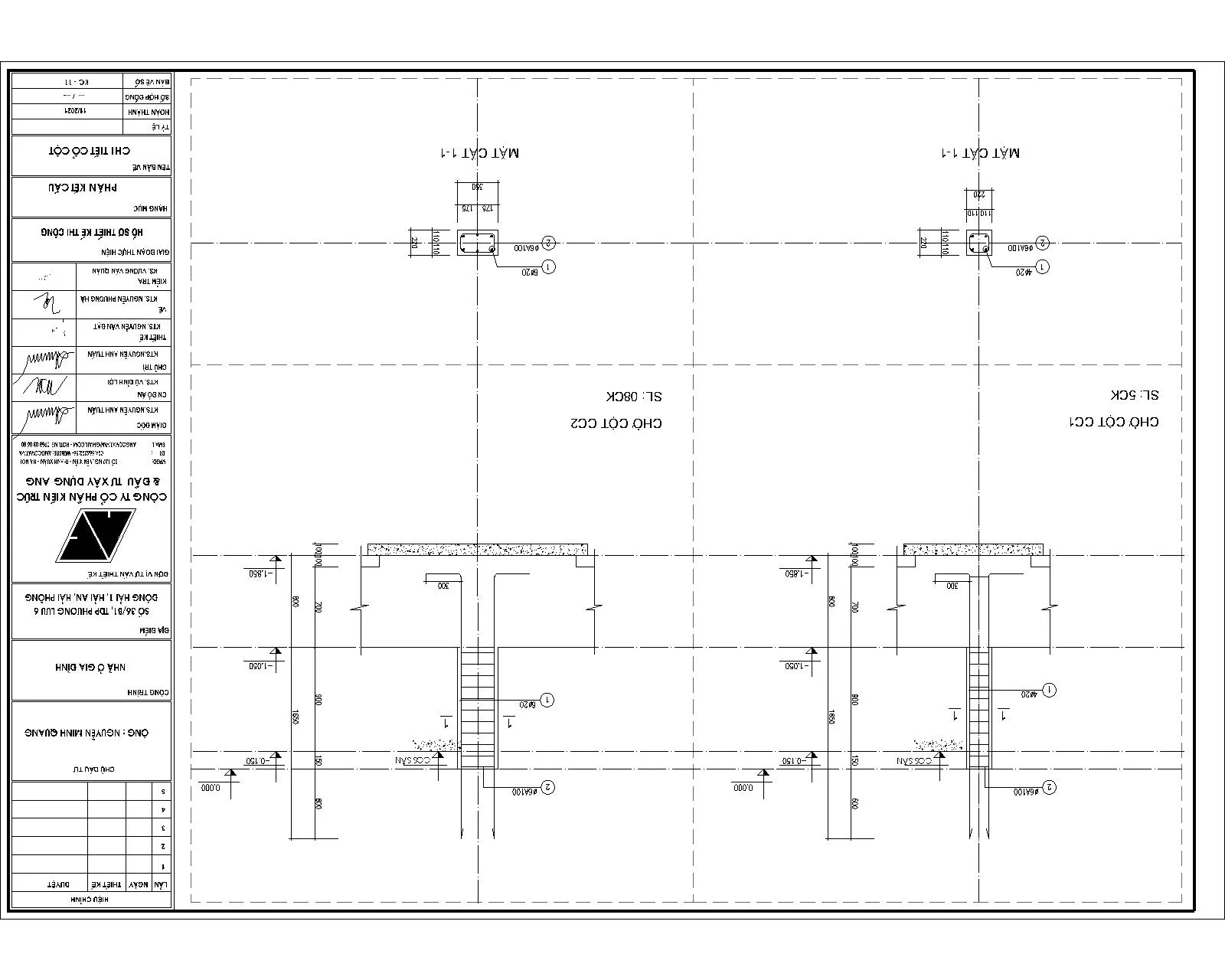
Chi Tiết Cốt Thép Cột Và Nút Cột-Dầm
Nút cột-dầm là vùng phức tạp nhất trong bản vẽ kết cấu nhà 5 tầng. Tại đây, thép dầm và thép cột giao nhau, tạo ra vùng ứng suất cao. Để đảm bảo an toàn, cần:
- Thép dầm phải được neo vào cột với chiều dài neo ≥ 30d
- Đai cột tại nút phải bố trí dày đặc (a100) để chống cắt
- Bê tông tại nút phải đổ cùng lúc với dầm, tránh mặt phân tầng
Chi tiết cốt thép cộtBản vẽ chi tiết cốt thép cột thể hiện thép chủ và thép đai
Chi tiết cột phần 1Chi tiết cột với kích thước tiết diện và bố trí thép chịu lực
Sai lầm thường gặp: thợ thi công cắt bớt thép đai tại nút để dễ lắp dựng cốt thép dầm. Điều này làm giảm nghiêm trọng khả năng chịu cắt của nút, dẫn đến nguy cơ sập khi có động đất.
Chi tiết cột phần 2Chi tiết cột bổ sung cho các vị trí đặc biệt
Chi tiết cột phần 3Bản vẽ chi tiết cột cuối cùng hoàn thiện hệ thống kết cấu
Kiểm Soát Chất Lượng Trong Thi Công Kết Cấu
Để bản vẽ kết cấu nhà 5 tầng được hiện thực hóa đúng thiết kế, cần kiểm soát chặt chẽ các công đoạn:
Giai đoạn móng: Kiểm tra độ sâu cọc bằng phương pháp PIT (Pile Integrity Test) hoặc khoan lấy mẫu lõi bê tông. Đài móng phải được dưỡng hộ ít nhất 7 ngày trước khi thi công cột.
Giai đoạn cột: Kiểm tra độ thẳng đứng cột bằng thước thủy, sai số cho phép ≤ 10mm/tầng. Bê tông cột phải đạt cường độ ≥ 70% (thường 14 ngày) trước khi tháo ván khuôn và thi công tầng trên.
Giai đoạn nghiệm thu: Lấy mẫu bê tông theo TCVN 3118:1993 — tối thiểu 3 mẫu/100m³ bê tông. Cường độ bê tông phải đạt ≥ 100% cường độ thiết kế sau 28 ngày.
Theo kinh nghiệm thực tế, 70% sự cố kết cấu xuất phát từ thi công không đúng bản vẽ, chứ không phải do thiết kế sai. Vì vậy, giám sát thi công chặt chẽ quan trọng không kém việc có bản vẽ tốt.
Bản vẽ kết cấu nhà 5 tầng không chỉ là tập hợp các đường nét trên giấy, mà là bản đồ chi tiết để hiện thực hóa một công trình an toàn, bền vững. Từ móng cọc khoan nhồi đến hệ cột chịu lực, mỗi chi tiết đều cần được tính toán chính xác và thi công đúng quy trình. Chủ đầu tư nên yêu cầu đơn vị thiết kế cung cấp đầy đủ bản vẽ thi công, thuyết minh kỹ thuật, và giám sát chặt chẽ từng công đoạn để đảm bảo chất lượng công trình.
Ngày Cập Nhật 08/03/2026 by Minh Anh
