Sử dụng vật liệu tối ưu là yếu tố then chốt quyết định tính an toàn và chi phí cho kết cấu mái công nghiệp hiện đại. Bài viết này phân tích chuyên sâu về cường độ xà gồ g450, giải pháp xà gồ thép mạ kẽm sở hữu giới hạn chảy vượt trội và khả năng vượt nhịp lớn. Chúng tôi cung cấp bảng thông số chi tiết của các dòng tiết diện Z và C, giúp kỹ sư đưa ra quyết định chính xác cho hệ thống kết cấu thép năm 2026.
Đặc Tính Cơ Lý Và Ưu Điểm Của Cường Độ Xà Gồ G450
Trong ngành xây dựng, chỉ số G450 đại diện cho giới hạn chảy tối thiểu đạt mức 450 MPa, tương đương khoảng 4500kg/cm². So với các dòng thép truyền thống, cường độ xà gồ g450 cho phép giảm đáng kể trọng lượng bản thân của hệ thống khung mái mà vẫn đảm bảo khả năng chịu tải trọng gió và tĩnh tải cực lớn. Việc ứng dụng thép cường độ cao giúp tối ưu hóa tiết diện, từ đó giảm áp lực trực tiếp lên hệ thống giàn móng và cột trụ của công trình.
Nỗ lực cải tiến trong luyện kim giúp sản phẩm này đạt được sự cân bằng giữa độ cứng vững và độ dẻo dai cần thiết. Với cường độ xà gồ g450, các kiến trúc sư có thể thiết kế những khẩu độ nhịp dài hơn đáng kể so với thép G350 thông thường. Điều này không chỉ mở rộng không gian sử dụng bên trong nhà xưởng mà còn tiết kiệm chi phí đầu tư cho hệ xà gồ phụ trợ đáng kể.
Phân Tích Kỹ Thuật Tiết Diện Xà Gồ Chữ Z Cường Độ Cao
Xà gồ chữ Z là lựa chọn hàng đầu cho các thiết kế liên tục nhờ khả năng chồng mép linh hoạt. Thiết kế đặc thù của dòng xà gồ này cho phép hai đoạn nối chồng lên nhau, tạo ra cơ chế dầm liên tục có khả năng chịu moment uốn tốt hơn tại các điểm gối đỡ.
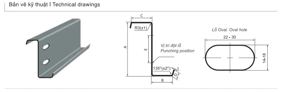
Dưới đây là các thông số kỹ thuật tiêu chuẩn của xà gồ chữ Z sử dụng thép cường độ cao:
| Tiêu chí kỹ thuật | Thông số kích thước chi tiết |
|---|---|
| Chiều cao tiết diện | Dao động từ 150 đến 300 mm |
| Thiết kế cánh | Một cánh rộng và một cánh hẹp. Độ chênh lệch được tính toán bằng 2,5 lần độ dày thép để đảm bảo khả năng chồng mép khít |
| Mép cánh | Tiêu chuẩn 20 mm |
| Góc vát mép cánh | 135 độ, thiết kế này giúp tối ưu không gian xếp chồng khi vận chuyển |
| Độ dày vật liệu | Từ 1,5 mm đến 3,2 mm |
| Gia công đột lỗ | Hệ thống lỗ oval được đột tự động theo bản vẽ kỹ thuật dự án |
Đặc Điểm Cấu Tạo Xà Gồ Chữ C Năm 2026
Khác với xà gồ Z, xà gồ chữ C thường được sử dụng cho các hệ dầm đơn hoặc những vị trí yêu cầu sự độc lập về kết cấu như khung cửa, vách ngăn. Với cường độ xà gồ g450, xà gồ C duy trì được độ thẳng tuyệt đối và khả năng chống xoắn cao hơn so với các dòng thép mềm.
Chi tiết thông số hình học xà gồ C:
| Tiêu chí kỹ thuật | Thông số kích thước chi tiết |
|---|---|
| Chiều cao tiết diện | Phổ biến từ 75 đến 300 mm |
| Thiết kế cánh | Hai cánh có chiều rộng bằng nhau (40 – 100 mm) |
| Mép cánh | Từ 15 mm đến 20 mm |
| Độ dày vật liệu | Linh hoạt từ 1,2 mm đến 3,2 mm |
| Công nghệ cắt | Cắt khẩu độ tự động theo yêu cầu thiết kế chính xác đến từng milimet |
Bản Vẽ Kỹ Thuật Và Cơ Chế Truyền Tải Trọng
Việc hiểu rõ bản vẽ kỹ thuật giúp đơn vị thi công kiểm soát tốt các điểm xung yếu trong lắp dựng. Cường độ xà gồ g450 được tính toán dựa trên các mô hình mô phỏng ứng suất thực tế, đảm bảo độ võng nằm trong giới hạn cho phép của tiêu chuẩn xây dựng năm 2026.
Bản vẽ kỹ thuật sản phẩm Xà gồ thép chữ C cường độ cao G350/G450Bản vẽ kỹ thuật chi tiết tiết diện xà gồ hình chữ C truyền thống
Bản vẽ kỹ thuật sản phẩm Xà gồ thép chữ Z cường độ cao G350/G450Sơ đồ hình học xà gồ chữ Z hỗ trợ khả năng nối chồng liên tục
Sự kết hợp giữa độ dày thép và giới hạn chảy 450 MPa tạo nên một mô-men kháng uốn mạnh mẽ. Trong các môi trường chịu tải biến thiên như khu vực ven biển hoặc vùng có gió lốc, cường độ xà gồ g450 thể hiện sự an tâm tuyệt đối nhờ hệ số an toàn cao hơn hẳn các loại xà gồ đen cán nóng cũ.
Chỉ Tiêu Chất Lượng Và Thông Số Vật Lý Chi Tiết
Để một thanh thép đạt chuẩn cường độ xà gồ g450, nó phải trải qua các bài kiểm định khắt khe về lực kéo và khả năng giãn dài. Tại Thép Nhật Quang, các chỉ tiêu này được giám sát chặt chẽ bằng máy đo chuyên dụng trong phòng Lab.
Các thông số kỹ thuật kết cấu chi tiếtBảng tổng hợp chỉ tiêu cơ lý thực tế của xà gồ cường độ cao
Dưới đây là bảng so sánh các chỉ số thực tế:
| Tên chỉ tiêu kỹ thuật | Đơn vị đo | Kết quả thực tế (Min) |
|---|---|---|
| Giới hạn chảy (Yield point YP) | MPa | ≥ 450 (Tiêu chuẩn G450) |
| Độ bền kéo (Tension strength TS) | MPa | ≥ 500 – 550 |
| Độ giãn dài (Elongation EL) | % | 10% ÷ 30% |
| Khối lượng lớp mạ kẽm | g/m² | 80 – 275 (Tùy yêu cầu) |
⚠️ Lưu ý: Đối với dòng cường độ xà gồ g450, kỹ sư cần đặc biệt kiểm tra chứng chỉ xuất xưởng (Mill Test) để đảm bảo giới hạn chảy thực tế không thấp hơn 450 MPa. Các nguồn hàng không rõ nguồn gốc thường nhầm lẫn giữa G250 và G450, gây nguy hiểm cho cấu trúc mái.
Bảng Quy Chuẩn Trọng Lượng Xà Gồ Chữ C (Kg/m)
Trọng lượng là yếu tố trực tiếp ảnh hưởng đến giá thành và biện pháp thi công. Sử dụng thép cường độ cao cho phép giảm độ dày mà vẫn giữ nguyên khả năng chịu lực, tối ưu về mặt kinh tế.
| Quy cách tiết diện (mm) | Độ dày 1.5mm | Độ dày 2.0mm | Độ dày 2.5mm | Độ dày 3.0mm |
|---|---|---|---|---|
| C80x40x15 | 2.17 | 2.86 | 3.53 | 4.19 |
| C100x50x15 | 2.64 | 3.49 | 4.32 | 5.13 |
| C120x50x15 | 2.87 | 3.80 | 4.71 | 5.60 |
| C150x50x20 | 3.34 | 4.43 | 5.50 | 6.55 |
| C180x65x20 | 4.05 | 5.37 | 6.67 | 7.96 |
| C200x65x20 | 4.29 | 5.68 | 7.07 | 8.43 |
| C250x75x20 | 5.11 | 6.78 | 8.44 | 10.08 |
| C300x100x25 | 6.41 | 8.51 | 10.60 | 12.67 |
Bảng Tra Trọng Lượng Xà Gồ Chữ Z (Kg/m)
Xà gồ Z có ưu thế về trọng lượng so với công năng, giúp hạ thấp trọng tâm của toàn bộ hệ mái. Đây là bảng quy chuẩn cho dòng thép có cường độ xà gồ g450:
| Quy cách tiết diện (mm) | Độ dày 1.6mm | Độ dày 2.0mm | Độ dày 2.4mm | Độ dày 3.0mm |
|---|---|---|---|---|
| Z150x50x56x20 | 3.64 | 4.52 | 5.40 | 6.69 |
| Z180x62x68x20 | 4.32 | 5.37 | 6.41 | 7.96 |
| Z200x72x78x20 | 4.82 | 6.00 | 7.17 | 8.90 |
| Z250x72x78x20 | 5.45 | 6.78 | 8.11 | 10.08 |
| Z300x82x88x20 | 6.33 | 7.88 | 9.43 | 11.73 |
| Z300x94x100x20 | 6.63 | 8.26 | 9.88 | 12.29 |
Lưu ý: Dung sai độ dày cho phép là ± 2% và dung sai trọng lượng là ± 5% theo tiêu chuẩn nhà máy năm 2026.
Quy Trình Sản Xuất Kiểm Soát Chất Lượng G450
Để đạt được mức cường độ xà gồ g450 ổn định, quy trình sản xuất phải tuân thủ nghiêm ngặt từ khâu chọn phôi thép cán nguội mạ kẽm. Hệ thống máy cán liên hoàn giúp định hình tiết diện phẳng, không bị vênh hay vặn vỏ đỗ.
10 bước trong quy trình sản xuất xà gồ thép đenQuy trình khép kín 10 bước đảm bảo độ chuẩn xác hình học của xà gồ
Các bước sản xuất bao gồm việc nạp liệu, nắn thẳng, tạo gân tăng cứng, đột lỗ oval chính xác theo tọa độ và cắt độ dài bằng lưỡi cắt thủy lực. Toàn bộ thông số được lập trình qua hệ thống điều khiển PLC, hạn chế tối đa sai sót do con người.
Kiểm Định Và Chứng Nhận Theo Tiêu Chuẩn JIS G 3350:2017
Chất lượng của cường độ xà gồ g450 không chỉ được khẳng định qua quảng cáo mà phải bằng các chứng nhận pháp lý. Tại Việt Nam, các mẫu xà gồ này thường được kiểm nghiệm bởi Tổng cục Tiêu chuẩn Đo lường Chất lượng (Quatest).
Việc kiểm tra và thử nghiệm xà gồ thép được diễn ra dưới hệ thống máy móc, thiết bị hiện đại, chuyên nghiệpMáy thử kéo nén hiện đại đo lường giới hạn chảy thực tế của thép
Sản phẩm đạt chuẩn JIS G 3350:2017 (Nhật Bản) về độ bền và lớp mạ, cũng như chứng nhận ISO 9001:2015 về quản lý quy trình. Khách hàng lựa chọn cường độ xà gồ g450 từ Thép Nhật Quang có thể hoàn toàn tin tưởng vào độ bền trên 30 năm của vật liệu trong môi trường thông thường.
Kết quả thử nghiệm chất lượng mẫu Xà gồ chữ C 200x75x75x20x1,9 mmKết quả thử nghiệm lý tính đạt chuẩn G450 thực tế
Kết quả thử nghiệm chất lượng mẫu Xà gồ chữ Z 200x71x76x20x1,9 mmChứng nhận khả năng chịu lực của tiết diện xà gồ Z
Chứng nhận chất lượng Xà Gồ Nhật QuangVăn bằng chứng nhận hợp chuẩn quốc tế cho dòng xà gồ thép cường độ cao
Ứng Dụng Thực Tế Tại Các Dự Án Trọng Điểm
Khả năng vươn xa của cường độ xà gồ g450 đã được chứng minh qua hàng loạt công trình cấp quốc gia. Tại các cảng hàng không hoặc nhà máy FDI lớn, xà gồ cường độ cao là yêu cầu bắt buộc để đảm bảo an toàn kết cấu phức tạp.
Một số dự án tiêu biểu ứng dụng xà gồ G450:
- Nhà ga T2 – Sân bay quốc tế Nội Bài.
- Cảng hàng không quốc tế Vân Đồn.
- Tổ hợp nhà máy MaxPort 9 (Thái Bình).
- Khu công nghiệp VSIP – Bắc Ninh và các dự án logistics hiện đại.
Đối tác của Xà gồ thép Nhật QuangCác đối tác lớn tin dùng giải pháp thép cường độ cao cho công trình bền vững
Hệ thống cung ứng của Thép Nhật Quang hỗ trợ vận chuyển 24/7 và đóng gói bảo quản kỹ lưỡng, tránh trầy xước lớp mạ kẽm trong suốt quá trình lưu kho và bốc xếp.
Việc ứng dụng đúng cường độ xà gồ g450 không chỉ là bài toán về kỹ thuật mà còn là sự đầu tư bền vững cho tương lai công trình. Hy vọng bài viết đã giúp bạn nắm rõ các thông số kỹ thuật then chốt để lựa chọn loại xà gồ tối ưu cho dự án trong năm 2026.
Ngày Cập Nhật 02/03/2026 by Minh Anh
