Trong ngành xây dựng và gia công cơ khí chính xác, việc tra cứu bảng tính trọng lượng thép hình không chỉ đơn thuần là tìm kiếm một con số, mà là cơ sở cốt lõi để tính toán khả năng chịu lực, tối ưu hóa chi phí vật tư và đảm bảo an toàn tuyệt đối cho công trình. Là đơn vị có hơn 10 năm kinh nghiệm trong cung ứng vật tư xây dựng, Công ty TNHH Thép Đại Phát Lộc thấu hiểu rằng một sai số nhỏ trong tính toán khối lượng barem có thể dẫn đến lệch dự toán hàng tỷ đồng hoặc ảnh hưởng đến tiến độ thi công. Bài viết dưới đây cung cấp hệ thống dữ liệu kỹ thuật chuẩn xác nhất cho năm 2026, dựa trên các tiêu chuẩn quốc tế khắt khe như JIS, ASTM và GOST.
1. Mác thép và tiêu chuẩn kỹ thuật: Nền tảng của chất lượng kết cấu
Trước khi đi sâu vào các số liệu trong bảng tính trọng lượng thép hình, người kỹ sư cần nắm vững khái niệm về mác thép. Mác thép (Steel Grade) là thuật ngữ chuyên ngành biểu thị các đặc tính cơ lý và thành phần hóa học của thép, từ đó xác định khả năng chịu tải, độ dẻo, độ bền kéo và giới hạn chảy của vật liệu.
Hiện nay, các loại thép hình trên thị trường Việt Nam thường được sản xuất và nhập khẩu theo các hệ tiêu chuẩn nghiêm ngặt:
- Tiêu chuẩn Nhật Bản (JIS G3101): Phổ biến nhất là mác SS400, được ứng dụng rộng rãi trong đóng tàu, cầu đường và các kết cấu thông thường.
- Tiêu chuẩn Hoa Kỳ (ASTM A36): Đây là mác thép carbon thấp có tính hàn tốt, thường được dùng trong các cấu kiện lắp ghép và khung nhà xưởng.
- Tiêu chuẩn Nga (GOST 380-88): Mác CT3 với độ bền cao, phù hợp cho các công trình trọng điểm.
- Tiêu chuẩn Trung Quốc (GB/T 700): Mác Q235B, Q345B với ưu thế về giá thành và sự đa dạng quy cách.
Ngoài ra, đối với các dòng thép chuyên dụng như thép tấm chế tạo khuôn mẫu hay chi tiết máy, các mác thép như S45C (thép carbon trung bình) hay SKD11 (thép hợp kim làm khuôn nguội) đòi hỏi quy trình nhiệt luyện khắt khe hơn để đạt độ cứng mong muốn. Việc chọn đúng mác thép dựa trên bảng tính trọng lượng thép hình sẽ giúp chủ đầu tư cân bằng giữa tính kinh tế và tính an toàn của hệ khung xương cấu kiện.
2. Bảng tính trọng lượng thép hình chữ H tiêu chuẩn 2026
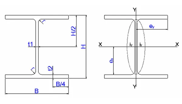
Thép hình H là loại thép có mặt cắt giống hình chữ H in hoa, với phần cánh (flange) và phần bụng (web) có độ dày gần như tương đương nhau. Nhờ momen quán tính lớn, thép H có khả năng chống uốn cực tốt, thường được ưu tiên làm dầm chịu lực chính trong các tòa nhà cao tầng, tháp truyền hình hoặc khung nhà thép tiền chế quy mô lớn.
Hình ảnh mặt cắt và thông số kỹ thuật thép hình chữ HChú thích: Thép hình H với thiết kế cân đối, mang lại khả năng phân bổ lực tối ưu cho các hệ khung chịu tải trọng nặng.
Dưới đây là dữ liệu chi tiết từ bảng tính trọng lượng thép hình chữ H mà các kiến trúc sư thường dùng để bóc tách khối lượng:
| Quy cách thép H tiêu chuẩn (H x B mm) | Độ dày bụng T1 (mm) | Độ dày cánh T2 (mm) | Chiều dài (m/cây) | Trọng lượng (kg/m) |
|---|---|---|---|---|
| H-100×100 | 6 | 8 | 6 | 17,2 |
| H-125×125 | 6.5 | 9 | 6 – 12 | 23,8 |
| H-150×150 | 7 | 10 | 6 – 12 | 31,5 |
| H-175×175 | 7.5 | 11 | 6 – 12 | 40.2 |
| H-200×200 | 8 | 12 | 6 – 12 | 49,9 |
| H-294×200 | 8 | 12 | 6 – 12 | 56.8 |
| H-250×250 | 9 | 14 | 6 – 12 | 72,4 |
| H-300×300 | 10 | 15 | 6 – 12 | 94 |
| H-350×350 | 12 | 19 | 6 – 12 | 137 |
| H-400×400 | 13 | 21 | 6 – 12 | 172 |
Lời khuyên từ chuyên gia Công ty Đại Phát Lộc: Khi mua thép H, bạn cần kiểm tra độ dày thực tế của bụng và cánh bằng thước kẹp điện tử, vì dung sai của các nhà sản xuất có thể khác nhau. Thép nhập khẩu chính ngạch từ Posco hoặc Nhật Bản thường có độ sai lệch cực thấp so với bảng tính trọng lượng thép hình lý thuyết.
3. Bảng tính trọng lượng thép hình chữ I: Giải pháp cho dầm nhịp lớn
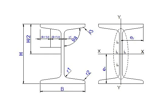
Ngược lại với thép H, thép hình chữ I có phần cánh hẹp hơn so với phần bụng. Điểm đặc trưng của loại thép này là sự thanh thoát nhưng vẫn đảm bảo độ cứng vững theo phương đứng, đặc biệt khi sản phẩm đạt chuẩn quy cách thép hình chữ I. Thép I cực kỳ hiệu quả khi dùng làm dầm trục cho cầu trục, dầm sàn hoặc các cấu kiện cần tiết kiệm trọng lượng bản thân mà vẫn duy trì khả năng chịu uốn cao.
Thông số quy cách và trọng lượng thép hình chữ I theo tiêu chuẩn JISChú thích: Thép hình I đa dạng về kích thước, đáp ứng linh hoạt các yêu cầu thiết kế từ dân dụng đến công nghiệp.
Tham khảo bảng tính trọng lượng thép hình chữ I chính xác nhất:
| Quy cách thép I (H x B mm) | Độ dày bụng T1 (mm) | Độ dày cánh T2 (mm) | Chiều dài (m/cây) | Trọng lượng (kg/m) |
|---|---|---|---|---|
| I-100×55 | 4.5 | 6.5 | 6 | 9.46 |
| I-120×64 | 4.8 | 6.5 | 6 | 11.5 |
| I-150×75 | 5 | 7 | 12 | 14 |
| I-198×99 | 4.5 | 7 | 12 | 18,2 |
| I-200×100 | 5,5 | 8 | 12 | 21,3 |
| I-250×125 | 6 | 9 | 12 | 29,6 |
| I-298×149 | 5.5 | 8 | 12 | 32 |
| I-300×150 | 6,5 | 9 | 12 | 36,7 |
| I-346×174 | 6 | 9 | 12 | 41,4 |
| I-350×175 | 7 | 11 | 12 | 49,6 |
| I-396×199 | 7 | 11 | 12 | 56,6 |
| I-400×200 | 8 | 13 | 12 | 66 |
| I-500×300 | 11 | 18 | 12 | 128 |
| I-600×300 | 12 | 20 | 12 | 151 |
| I-900×300 | 16 | 28 | 12 | 240 |
Trong quá trình thi công thực tế tại Đại Phát Lộc năm 2026, chúng tôi nhận thấy xu hướng sử dụng thép I cánh trung (Standard I-beam) đang dần thay thế bởi các dòng thép I cánh rộng (Wide Flange) để tăng tính ổn định cục bộ cho bản bụng, hạn chế hiện tượng mất ổn định khi chịu tải trọng nén uốn đồng thời.
4. Bảng tính trọng lượng thép hình chữ U: Độ bền bỉ trong môi trường khắc nghiệt
Thép hình chữ U (hay còn gọi là thép C) được biết đến với khả năng chịu lực tác động xoắn rất tốt. Hình dạng chữ U giúp việc liên kết với các bề mặt phẳng trở nên dễ dàng, do đó chúng thường xuyên xuất hiện trong các khung sườn xe tải, thanh xà gồ mái, hay hệ thống giá đỡ máy móc công suất lớn. Đặc biệt, thép U mạ kẽm nhúng nóng mang lại tuổi thọ lên đến 50 năm trong các điều kiện ăn mòn hóa chất tại các khu công nghiệp ven biển.
Các loại thép hình chữ U phổ biến trên thị trườngChú thích: Thép hình U có tính ứng dụng cao, từ kết cấu chịu lực đến trang trí nội thất công nghiệp.
Dưới đây là chi tiết bảng tính trọng lượng thép hình chữ U:
| Quy cách thép U (H x B mm) | Độ dày bụng T1 (mm) | Độ dày cánh T2 (mm) | Chiều dài (m/cây) | Trọng lượng (kg/m) |
|---|---|---|---|---|
| U-50×32 | 4,4 | 7 | 6 | 4,08 |
| U-65×36 | 4,4 | 7,2 | 6 | 5,9 |
| U-80×40 | 4,5 | 7,4 | 6 | 7,05 |
| U-100×50 | 5 | 7,5 | 6 – 12 | 9,36 |
| U-125×65 | 6 | 8 | 6 – 12 | 13,4 |
| U-150×75 | 6,5 | 10 | 6 – 12 | 18,6 |
| U-180×75 | 7 | 10,5 | 6 – 12 | 21,4 |
| U-200×80 | 7,5 | 11 | 6 – 12 | 24,6 |
| U-250×90 | 9 | 13 | 6 – 12 | 34,6 |
| U-380×100 | 13 | 20 | 6 – 12 | 67,3 |
Sử dụng thép U đòi hỏi sự tính toán kỹ lưỡng về trọng tâm tiết diện. Khác với thép H đối xứng, thép U có tâm quay nằm ngoài phần bụng, vì vậy khi thiết kế các dầm đơn, các kỹ sư luôn tra cứu bảng tính trọng lượng thép hình kết hợp với các chỉ số về momen kháng uốn (Wx, Wy) để tránh hiện tượng vặn xoắn.
5. Bảng tính trọng lượng thép hình chữ V: Gia cường góc và cơ khí dân dụng
Thép hình V (thép góc) là vật liệu không thể thiếu trong bất kỳ xưởng cơ khí hay công trường xây dựng nào. Với thiết kế hai cạnh vuông góc (thép V đều cạnh hoặc không đều cạnh), thép V đóng vai trò là “khớp nối” gia cường cho các góc chịu lực, làm khung cửa, hàng rào, giá kệ hoặc các tháp anten viễn thông.
Sản phẩm thép hình chữ V mạ kẽm chất lượng caoChú thích: Thép hình V (thép góc) với độ dày đa dạng, đáp ứng mọi nhu cầu gia công từ nhỏ đến lớn.
Chi tiết số liệu tra cứu từ bảng tính trọng lượng thép hình chữ V (V đều cạnh):
| Quy cách thép V (A x B mm) | Độ dày T (mm) | Chiều dài (m/cây) | Trọng lượng (kg/m) |
|---|---|---|---|
| V-25×25 | 3 | 6 | 1,12 |
| V-40×40 | 5 | 6 | 2,95 |
| V-50×50 | 5 | 6 | 3,77 |
| V-65×65 | 6 | 6 | 5,91 |
| V-75×75 | 9 | 6 – 12 | 9,96 |
| V-100×100 | 10 | 6 – 12 | 14,9 |
| V-120×120 | 12 | 6 – 12 | 21,6 |
| V-150×150 | 15 | 6 – 12 | 33,6 |
| V-200×200 | 20 | 6 – 12 | 59,7 |
| V-250×250 | 25 | 6 – 12 | 93,7 |
Một lưu ý nhỏ từ kinh nghiệm cung ứng thép xây dựng lâu năm: Thép V trên thị trường thường có hai loại chính là thép đúc cán nóng và thép dập nguội. Thép đúc cán nóng luôn có độ bền và tính ổn định tốt hơn, sát với thông số trong bảng tính trọng lượng thép hình chuẩn quốc tế hơn so với các dòng thép tổ hợp tự chế.
6. Phương pháp tính trọng lượng thép tấm và thép xây dựng bổ trợ
Ngoài các dòng thép hình kể trên, thép tấm là vật liệu song hành không thể tách rời trong việc chế tạo bản mã, mặt bích. Công thức tính trọng lượng thép tấm khá đơn giản nhưng yêu cầu tính chính xác cao:
Trọng lượng (kg) = Độ dày (mm) x Chiều rộng (m) x Chiều dài (m) x 7.85
Trong đó, 7.85 là khối lượng riêng của thép carbon (g/cm³). Đối với các dòng thép đặc biệt như S45C hay mác thép khuôn SKD11, chỉ số này có thể thay đổi nhẹ nhưng không đáng kể trong tính toán dân dụng. Việc nắm vững công thức này, kết hợp với cách tính khối lượng thép hình chuẩn và các thông số trong bảng tính trọng lượng thép hình giúp đơn vị thi công kiểm soát chặt chẽ lượng hàng hóa nhập về, tránh thất thoát vật tư.
Tầm quan trọng của việc kiểm tra dung sai
Trong thực tế, không có cây thép nào nặng đúng 100% so với bảng tính trọng lượng thép hình lý thuyết. Các tiêu chuẩn quốc tế luôn cho phép một biên độ sai số (thường từ ±2% đến ±5% tùy loại). Ví dụ, một cây thép U100 dài 6m theo lý thuyết nặng 56.16kg, nhưng cân thực tế có thể dao động từ 54kg đến 58kg vẫn được coi là đạt chuẩn nếu nằm trong phạm vi cho phép của nhà máy. Tại Thép Đại Phát Lộc, chúng tôi cam kết cung cấp hàng hóa có dung sai thấp nhất, đảm bảo quyền lợi tối đa cho khách hàng.
7. Báo giá thép hình 2026: Những yếu tố tác động và lưu ý YMYL
Thị trường thép là một thị trường đầy biến động, chịu ảnh hưởng sâu sắc bởi giá quặng sắt quốc tế, chi phí năng lượng và chính sách xuất nhập khẩu.
⚠️ Lưu ý quan trọng: Giá thép hình và thép xây dựng thay đổi liên tục theo ngày. Các bảng giá xuất hiện trên mạng chỉ mang tính chất tham khảo tại một thời điểm nhất định. Hiện tại vào năm 2026, các yếu tố sau đang trực tiếp quyết định đơn giá thép:
- Nguồn gốc xuất xứ: Thép Hòa Phát, Tisco, Pomina có giá khác so với thép nhập khẩu từ Nhật Bản, Hàn Quốc hay Trung Quốc.
- Loại bề mặt: Thép đen, thép mạ kẽm điện phân hay mạ kẽm nhúng nóng.
- Sản lượng đơn hàng: Mua lẻ theo cây hay mua sỉ theo tấn.
Lựa chọn đơn vị uy tín như Công ty TNHH Thép Đại Phát Lộc không chỉ giúp bạn có được bảng tính trọng lượng thép hình chuẩn mà còn nhận được sự tư vấn chuyên sâu về bài toán kinh tế cho công trình. Chúng tôi luôn minh bạch trong báo giá, cung cấp đầy đủ chứng chỉ CO/CQ (Chứng chỉ xuất xứ và chất lượng) cho mọi lô hàng.
8. Tại sao nên chọn Thép Đại Phát Lộc cho dự án của bạn?
Với hơn một thập kỷ đồng hành cùng hàng ngàn công trình từ dân dụng đến các tổ hợp nhà máy lớn tại Việt Nam, Thép Đại Phát Lộc tự hào là mắt xích tin cậy trong chuỗi cung ứng vật liệu xây dựng. Chúng tôi không chỉ bán thép, chúng tôi trao gửi sự an tâm.
- Độ chính xác tuyệt đối: Mọi thông tin về bảng tính trọng lượng thép hình chúng tôi cung cấp đều được đối soát từ catalog chính thức của các hãng sản xuất lớn.
- Kho hàng đa dạng: Luôn sẵn kho các loại thép hình U, I, V, H, C, Z với đầy đủ kích cỡ, từ hàng thông dụng đến hàng quy cách cực lớn.
- Hệ thống vận tải chuyên nghiệp: Sở hữu đội xe tải, xe cẩu đa trọng tải, đáp ứng tiến độ giao hàng hỏa tốc đến tận chân công trình vào bất kể thời gian nào trong năm 2026.
- Tư vấn giải pháp: Đội ngũ kỹ thuật am hiểu về mác thép S45C, A36, SKD11 sẵn sàng hỗ trợ bạn lựa chọn loại vật liệu tối ưu nhất về công năng và chi phí.
Việc tra cứu và áp dụng đúng bảng tính trọng lượng thép hình chính là bước khởi đầu vững chãi cho mọi kết cấu. Một hệ khung vững chắc bắt đầu từ những số liệu chính xác. Đừng ngần ngại liên hệ với các chuyên gia của chúng tôi để nhận được catalog chi tiết và báo giá cạnh tranh nhất hôm nay.
Thông tin liên hệ:CÔNG TY TNHH THÉP ĐẠI PHÁT LỘCWebsite: thepongducnhapkhau.comChuyên doanh: Thép ống đúc, thép hình, thép tấm, vật liệu xây dựng chất lượng cao.
Hy vọng bài viết này đã cung cấp cho quý khách hàng, quý đối tác và các bạn kỹ sư một cái nhìn toàn diện và chuyên sâu về bảng tính trọng lượng thép hình. Sử dụng vật liệu chuẩn, thi công đúng quy trình là cam kết cao nhất đối với sự bền vững của mỗi công trình trong tương lai.
Ngày Cập Nhật 01/03/2026 by Minh Anh
