Việc thiết lập một hệ thống cấp thoát nước bền vững bắt đầu từ việc thấu hiểu sơ đồ ống nước nhà vệ sinh nhằm đảm bảo công năng vận hành và an toàn hạ tầng. Bài viết này cung cấp giải pháp thiết kế hệ thống nước, phân tích tiêu chuẩn kỹ thuật ống PVC, và hướng dẫn lắp đặt thiết bị vệ sinh chuyên sâu. Chúng tôi sẽ đi sâu vào nguyên lý thủy lực, cách tính toán độ dốc thoát nước và các giải pháp chống ngăn mùi triệt để cho công trình hiện đại.
Sơ đồ lắp đặt ống nước nhà vệ sinh tiêu chuẩnHình 1: Chi tiết sơ đồ lắp đặt ống nước nhà vệ sinh cho nhà phố hiện đại năm 2026.
Cấu Trúc Thành Phần Trong Sơ Đồ Ống Nước Nhà Vệ Sinh Hiện Đại
Một sơ đồ ống nước nhà vệ sinh đạt chuẩn không chỉ là những đường kẻ trên bản vẽ mà là sự kết hợp cơ học giữa áp suất và trọng lực. Để hệ thống vận hành trơn tru trong hàng thập kỷ, kỹ sư cần phân tách rõ ràng các lộ trình dẫn nước khác biệt về tính chất hóa lý và áp lực vận hành.
Hệ thống cấp nước sạch chịu áp
Hệ thống này chia làm hai luồng chính: nước lạnh và nước nóng. Nước lạnh cung cấp cho bồn cầu, vòi rửa và sen tắm, thường sử dụng ống nhựa PPR hoặc nhựa PEX để đảm bảo tính vệ sinh và chịu áp suất. Đối với dòng nước nóng dẫn từ máy nước nóng năng lượng mặt trời hoặc bình nóng lạnh, việc áp dụng đúng sơ đồ đường ống nước bình nóng lạnh và sử dụng ống PPR chịu nhiệt là bắt buộc để tránh tình trạng biến dạng nhiệt gây rò rỉ ngầm trong tường.
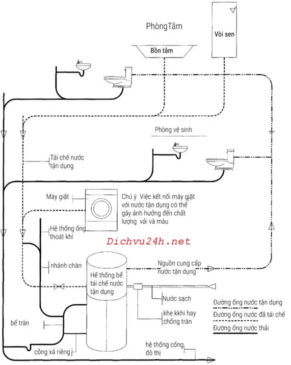
Mạng lưới thoát nước thải và nước xám
Trong thiết kế chuyên nghiệp, chúng ta tuyệt đối không trộn lẫn hai loại nước này ngay từ đầu nguồn.
- Ống thoát nước bồn cầu (Nước đen): Dẫn chất thải hữu cơ trực tiếp xuống hầm tự hoại (bể phốt). Đường ống này cần đường kính lớn và lộ trình thẳng nhất có thể.
- Ống thoát nước sàn và Lavabo (Nước xám): Dẫn nước tắm, nước rửa tay vốn ít tạp chất hữu cơ hơn nhưng chứa nhiều hóa chất tẩy rửa và tóc. Hệ thống này đổ về hố ga trước khi ra cống công cộng.
Cơ chế bẫy nước ngăn mùi và thông hơi
Bẫy nước (P-trap) là chốt chặn cuối cùng ngăn khí gas từ hầm cầu quay ngược lại không gian sống. Tuy nhiên, bẫy nước sẽ vô tác dụng nếu thiếu ống thông hơi (vent pipe). Ống thông hơi giúp cân bằng áp suất khí quyển nội bộ, ngăn hiện tượng “siphon” kéo hết nước trong bẫy đi, gây ra hiện tượng mùi hôi đặc trưng mà nhiều nhà vệ sinh cũ thường gặp phải.
Cách đi ống nước nhà vệ sinh hiệu quảHình 2: Phương pháp đi dây và bố trí đường ống tối ưu diện tích và lưu lượng.
Phân Tích Bản Vẽ Kỹ Thuật Và Nguyên Lý Thiết Kế
Khi quan sát một sơ đồ ống nước nhà vệ sinh, người thợ lành nghề sẽ chú ý đến tính logic của các điểm đấu nối và vật liệu phụ trợ. Bản vẽ phải thể hiện rõ ba lớp thông tin: sơ đồ mặt bằng, sơ đồ không gian (iso) và chi tiết các cấu kiện đặc biệt.
Bản thiết kế cách đi ống nước nhà vệ sinh chi tiếtHình 3: Bản vẽ kỹ thuật phối cảnh hệ thống cấp thoát nước nhà tắm.
Việc triển khai dựa trên sơ đồ ống nước nhà vệ sinh cần tuân thủ nghiêm ngặt các ký hiệu kỹ thuật. Ống màu xanh đại diện cho nước cấp, thường đi âm tường ở độ cao chuẩn (khoảng 20-30cm so với sàn cho bồn cầu và 80-100cm cho lavabo). Ống xám thể hiện hệ thống thoát, luôn nằm dưới sàn và có độ dốc tối thiểu 2% để đảm bảo dòng chảy tự nhiên.
Tiêu Chuẩn Kích Thước Đường Ống Theo Trạm Thiết Bị
Lựa chọn đường kính ống (φ) không phù hợp là nguyên nhân chính gây ra tiếng ồn trong đường ống và tình trạng nước chảy yếu. Dưới đây là các thông số vàng được áp dụng cho các công trình dân dụng năm 2026:
| Thiết bị / Vị trí | Đường kính ống cấp (mm) | Đường kính ống thoát (mm) |
|---|---|---|
| Trục cấp nước chính (Nhà phố) | φ > 49 | φ > 114 |
| Bồn cầu (Toilet) | φ 21 – 27 | φ 90 – 114 |
| Lavabo / Bồn rửa mặt | φ 21 | φ 42 – 50 |
| Thoát nước sàn / Sen tắm | φ 21 | φ 60 – 90 |
| Ống thông hơi | – | φ 34 – 42 |
⚠️ Lưu ý: Đối với các khu vực như nhà hàng hay chung cư cao tầng, trục cấp chính cần đạt φ > 60mm để bù đắp tổn thất áp suất khi nhiều thiết bị cùng hoạt động một lúc.
Các Bước Triển Khai Lắp Đặt Đúng Kỹ Thuật
Quy trình thực hiện dựa trên sơ đồ ống nước nhà vệ sinh đòi hỏi sự tỉ mỉ trong từng mối nối. Chỉ một sai sót nhỏ tại vị trí âm sàn có thể dẫn đến hậu quả thấm dột, tiêu tốn hàng chục triệu đồng để khắc phục sau này.
Xác định cao độ và vị trí lắp đặt
Dựa vào bản vẽ kiến trúc, thợ kỹ thuật tiến hành dùng máy cân bằng laser để vạch tuyến đường ống trên tường và sàn. Cần tính toán độ dày của lớp gạch men sau này để chừa đầu ống ra (elbow) vừa khít với mặt hoàn thiện. Việc đặt quá sâu hoặc quá nông đều khiến việc lắp thiết bị vệ sinh phía sau gặp khó khăn.
Thi công hệ thống cấp nước PPR nhiệt hóa
Khác với ống PVC dán keo, ống PPR đòi hỏi máy hàn nhiệt chuyên dụng. Thời gian gia nhiệt phải đủ để hai bề mặt nhựa nóng chảy quyện vào nhau, tạo thành một khối đồng nhất. Nếu hàn quá nhanh, mối nối dễ rò rỉ; nếu hàn quá lâu (cháy nhựa), sẽ gây hẹp tiết diện lòng ống, làm giảm áp lực nước.
Lắp đặt hệ thống thoát nước trục đứng và ngang
Đường ống thoát ngang tuyệt đối không được bẻ góc 90 độ bằng một co duy nhất. Thay vào đó, hãy sử dụng hai co 45 độ (check) hoặc một co Y để giảm lực cản và ngăn chặn tình trạng đóng cặn rác thải tại điểm chuyển hướng. Trong sơ đồ ống nước nhà vệ sinh, các điểm này là “tử huyệt” gây tắc nghẽn nếu không xử lý khéo léo.
Thiết kế đường ống nước nhà vệ sinh chuẩn xácHình 4: Kỹ thuật đi ống âm tường đảm bảo thẩm mỹ và độ bền cơ học.
Yêu Cầu Cốt Lõi Khi Thiết Kế Hệ Thống Nước Nhà Tắm
Một kỹ sư cơ điện (ME) giỏi sẽ không chỉ nhìn vào việc nước chảy được, mà còn nhìn vào tính bền vững và khả năng bảo trì của sơ đồ ống nước nhà vệ sinh.
- Rút ngắn lộ trình: Đường ống càng ngắn, mất mát áp suất do ma sát càng thấp. Tuy nhiên, không được cắt ngắn bằng cách đi chéo qua phòng ngủ hay phòng khách vì rủi ro tiếng ồn và thấm dột ảnh hưởng đến không gian tĩnh lặng.
- Dễ dàng tiếp cận: Tại các vị trí chuyển trục hoặc ngã rẽ quan trọng, nên bố trí lỗ thăm (clean-out). Điều này cho phép thợ thông tắc có thể đưa thiết bị vào xử lý mà không cần đục phá toàn bộ mặt sàn gạch.
- Tách biệt nguồn thải: Tuyệt đối không đấu nối chung ống thoát sàn vào ống thoát bồn cầu trước khi vào bể tự hoại. Áp suất khí và vi khuẩn từ bể phốt có thể theo đường thoát sàn lan tỏa khắp nhà.
Các Bản Vẽ Chi Tiết Tham Khảo Cho Thi Công
Dưới đây là tập hợp các chi tiết lắp đặt thực tế giúp bạn hình dung rõ hơn về cách các cấu kiện kết nối trong một sơ đồ ống nước nhà vệ sinh chuyên nghiệp.
Chi tiết 1
Chi tiết 2
Chi tiết 3
Chi tiết 4
Chi tiết 5
Chi tiết 6Hình 5-10: Các phân đoạn đấu nối phụ kiện co lắt, tê, y trong hệ thống thoát nước sạch.
Nguyên Tắc Đặt Ống Xuống Bể Phốt Và Thông Hơi
Khoảng cách từ điểm xả cuối cùng đến mặt nước trong bể tự hoại là thông số ít người chú ý nhưng lại cực kỳ quan trọng. Khoảng cách này tối thiểu phải đạt 200mm để đảm bảo áp lực xả đủ mạnh, giúp chất thải trôi đi dứt khoát, không bị dội ngược khí.
Trong sơ đồ ống nước nhà vệ sinh, ống thông hơi phải được dẫn lên vị trí cao nhất của ngôi nhà (thường là mái tản hoặc sân thượng) và cách xa cửa sổ. Đầu ống thông hơi nên lắp thêm nắp chụp (vent cap) hình nấm để ngăn nước mưa và côn trùng chui vào làm tổ gây tắc nghẽn hệ thống khí.
Chi tiết 11
Chi tiết 12
Chi tiết 13
Chi tiết 14
Chi tiết 15
Chi tiết 16Hình 11-16: Mô phỏng lưu đồ và các góc độ lắp đặt ống thoát ngang.
Giải Pháp Tối Ưu Phụ Kiện Kết Nối
Sử dụng phụ kiện ống nước PVC thông minh giúp giảm đáng kể trở lực của dốc thủy lực. Thay vì sử dụng nối chữ T (Tee) cho các đường thoát ngang, chuyên gia khuyên bạn nên dùng nối chữ Y (Wye). Chữ Y giúp dòng chảy được điều hướng mượt mà hơn, giảm tình trạng va đập thủy lực và tích tụ mảng bám.
Trong thiết kế sơ đồ ống nước nhà vệ sinh, hướng của chữ Y luôn phải đi theo chiều dòng chảy. Việc lắp ngược chữ Y là một lỗi sơ đẳng nhưng thường gặp, dẫn đến việc rác thải bị kẹt lại ngay tại ngã ba, gây tắc nghẽn cục bộ mà máy lò xo khó lòng xử lý triệt để.
Chất lượng thi công hệ thống nướcHình 17: Kiểm tra áp lực sau khi hoàn thiện sơ đồ ống nước nhà vệ sinh.
Việc tuân thủ một sơ đồ ống nước nhà vệ sinh khoa học không chỉ bảo vệ ngôi nhà khỏi sự cố thấm dột mà còn gia tăng chất lượng cuộc sống cho gia đình bạn. Hãy đảm bảo mọi vật liệu sử dụng từ ống nhựa đến keo dán đều là hàng chính hãng và được thi công bởi đội ngũ có chuyên môn cao. Cần tư vấn sâu hơn về vật liệu thép đúc hoặc linh kiện cơ điện, hãy liên hệ với các đơn vị uy tín để được hỗ trợ kỹ thuật kịp thời.
Việc nắm vững sơ đồ ống nước nhà vệ sinh chuẩn kỹ thuật giúp gia chủ giám sát thi công hiệu quả và đảm bảo hệ thống vận hành bền bỉ suốt đời công trình.
Ngày Cập Nhật 03/03/2026 by Minh Anh
