Trong kỹ thuật xây dựng dân dụng và công nghiệp, việc tính toán chính xác kết cấu đài móng cọc đóng vai trò quyết định đến độ ổn định toàn khối của công trình. Với sự phát triển của các tiêu chuẩn quốc tế như ACI 318-14, các kỹ sư hiện nay không chỉ dừng lại ở các phương pháp truyền thống mà còn áp dụng các mô hình kỹ thuật số để tối ưu hóa lượng bê tông cốt thép, đảm bảo khả năng chịu lực và tiết kiệm chi phí thiết kế móng cho hệ thống thép xây dựng. Bài viết này sẽ phân tích chuyên sâu các phương pháp tính toán phổ biến, từ dầm console đến mô hình giàn ảo (Strut-and-Tie Model – STM), giúp bạn đọc có cái nhìn toàn diện về thực trạng thi công năm 2026.
Hiểu Về Vùng D Trong Thiết Kế Kết Cấu Đài Móng Cọc
Phần lớn các kỹ sư hiện nay đều nhận định đài móng cọc là một “vùng D” (Discontinuity Region) điển hình — nơi có trạng thái ứng suất cực kỳ phức tạp. Tại đây, định luật Bernoulli (tiết diện phẳng luôn phẳng khi uốn) không còn đúng do sự thay đổi hình học đột ngột hoặc lực tập trung từ chân cột truyền xuống.
Trong kết cấu đài móng cọc, mô hình giàn ảo (STM) được ưu tiên sử dụng để thiết kế tại những vùng không liên tục này. Bản chất của STM là thay thế cấu kiện bê tông bằng một hệ giàn ảo gồm các thanh nén bê tông (struts) và các thanh giằng thép (ties), kết nối với nhau tại các nút (nodes). Cách tiếp cận này giúp mô phỏng chính xác “dòng lực” truyền bên trong đài móng, thay vì chỉ giả định nó hoạt động như một dầm công xôn thông thường.
Phân Tích Phương Pháp Dầm Console Truyền Thống
Phương pháp dầm console (dầm công xôn) là cách tiếp cận phổ biến nhất tại Việt Nam nhờ sự đơn giản và tính an toàn cao. Theo tiêu chuẩn quốc gia TCVN 10304:2014, đài móng được quan niệm là một cấu kiện chịu uốn thuần túy dưới tác động của phản lực các đầu cọc.
Hình 2: Mô hình dầm console tính cốt thép đài móng cọc theo phương x và phương y
Mô hình dầm console tính cốt thép đài móng cọc theo phương x và phương yChú thích: Sơ đồ tính toán mô men quay quanh các mặt ngàm I-I và II-II để xác định diện tích cốt thép.
Tuy nhiên, thực tế cho thấy phương pháp này thường cho ra kết quả diện tích thép rất lớn. Lý do là nó chưa xét đến sự làm việc đồng thời của ứng suất nén và uốn trong khối bê tông dày. Việc coi cánh đài là ngàm tại mặt cột chỉ là một giả thiết mang tính an toàn tuyệt đối, đôi khi dẫn đến lãng phí vật tư không đáng có trong các dự án quy mô lớn.
Ứng Dụng Mô Hình Giàn Ảo STM 2D Và 3D
Mô hình giàn ảo STM (Strut-and-Tie Model) mang đến một tư duy tính toán hiện đại hơn cho kết cấu đài móng cọc. Thay vì tách rời các lực, STM thống nhất nội lực và ngoại lực cùng làm việc trong một cấu kiện.
Mô hình STM 2D (Phẳng)
Mô hình này đơn giản hóa các dòng lực thành một mặt phẳng chịu lực chính. Ưu điểm của STM 2D là dễ tính toán bằng tay hoặc bằng các bảng tính Excel cơ bản, tuân thủ các điều kiện về góc nghiêng thanh nén (thường từ 45 đến 68.2 độ) để đảm bảo không xảy ra hiện tượng vỡ nút bê tông.
Hình 3. a), b) Mô hình giàn ảo phẳng đài móng cọc theo phương x và phương y
Mô hình giàn ảo phẳng đài móng cọc theo phương x và phương yChú thích: Các thanh nén (đường đứt khúc) và thanh giằng (đường liền nét) được thiết lập dựa trên vị trí tim cọc và chân cột.
Mô hình STM 3D (Không gian)
Đối với các đài móng có hình dạng phức tạp hoặc chịu tải trọng lệch tâm lớn, STM 3D là giải pháp tối ưu nhất năm 2026. Nó phản ánh đúng bản chất làm việc đa phương của đài móng.
Hình 4: Mô hình giàn ảo không gian đài móng cọc
Mô hình giàn ảo không gian đài móng cọcChú thích: Hệ giàn không gian giúp xác định chính xác lực kéo trong các thanh giằng thép ở cả cạnh đài và vùng trung tâm.
Đối Chiếu Thực Nghiệm Tại Công Trình Splendor 2026
Để minh chứng cho độ chính xác, một nghiên cứu tại dự án chung cư Splendor (Quận Gò Vấp) đã tiến hành so sánh dữ liệu thiết kế thực tế với các mô hình lý thuyết. Các thông số đầu vào được kiểm soát chặt chẽ theo tiêu chuẩn ACI 318-14.
Bảng 1. Thông số tính toán đài móng cọc M1
Thông số tính toán đài móng cọc M1Chú thích: Các số liệu về cấp độ bền bê tông, cường độ thép xây dựng và tải trọng chân cột.
Kết quả phân tích cho thấy sự chênh lệch đáng kể về lượng thép cần thiết giữa các phương pháp. Thiết kế thực tế tại công trình thường cao hơn từ 17.95% đến 29.03% so với các tính toán theo mô hình STM. Điều này khẳng định rằng mô hình STM giúp tối ưu hóa vật liệu mà vẫn đảm bảo hệ số an toàn cần thiết.
Bảng 2. So sánh kết quả các phương pháp tính đài móng cọc với thực tế
So sánh kết quả các phương pháp tính đài móng cọc với thực tếChú thích: STM 2D cho kết quả thép tiết kiệm nhất, trong khi STM 3D cho kết quả tiệm cận với trạng thái làm việc thực tế nhất.
Phân Tích Hiệu Suất Của Mô Hình STM 3D
Tại sao STM 3D lại được coi là tiêu chuẩn vàng cho kết cấu đài móng cọc hiện đại? Đó là bởi khả năng kiểm tra ứng suất tại các nút hạ (nút bẹn). Nếu ứng suất tại đây vượt quá giới hạn cho phép, bê tông sẽ bị vỡ cục bộ trước khi cốt thép kịp phát huy tác dụng.
⚠️ Lưu ý chuyên gia: Trong tính toán STM 3D, việc đảm bảo điều kiện
Wreq ≤ Wprov(chiều rộng nút yêu cầu nhỏ hơn chiều rộng cung cấp) là bắt buộc để tránh phá hoại nén đột ngột.
Hình 5: Nút phía dưới của STM 3D
Nút phía dưới của STM 3DChú thích: Kiểm tra ứng suất vùng nút dưới để đảm bảo an toàn cho điểm tiếp giáp đầu cọc.
Giải Pháp Bố Trí Thép Tối Ưu Cho Đài Móng
Dựa trên kết quả từ mô hình STM, kỹ sư có thể linh hoạt hơn trong việc bố trí thép thay vì chỉ dùng dạng lưới đều truyền thống. STM 3D chỉ ra rằng việc tập trung thép tại các “đường giằng” kết nối giữa các đầu cọc sẽ hiệu quả hơn nhiều so với việc rải đều khắp mặt đài.
Hình 6: Bố trí cốt thép đài móng cọc
Bố trí cốt thép đài móng cọcChú thích: So sánh cách bố trí thép theo STM 3D, STM 2D và dầm console. Cách bố trí theo STM 3D (hình a, b) cho phép tập trung thép ở các vị trí chịu kéo chính.
Việc ứng dụng các loại thép hình, thép tấm chất lượng cao trong gia cường đài móng cũng là một xu hướng trong năm 2026, giúp tăng cường khả năng chịu cắt và giảm chiều dày đài móng đáng kể. Tuy nhiên, điều này yêu cầu sự chính xác trong quá trình gia công và lắp đặt tại hiện trường.
Đánh Giá Tính Kinh Tế Và Kỹ Thuật
Khi so sánh biểu đồ diện tích cốt thép, chúng ta thấy rõ một xu hướng: Phương pháp dầm console có xu hướng “thừa thép”. Sự chênh lệch lên tới gần 30% so với STM 2D không chỉ là con số trên giấy, mà là hàng tấn thép lãng phí cho mỗi hạng mục móng.
Hình 7: Biểu đồ so sánh diện tích cốt thép đài móng cọc
Hành 7Chú thích: Biểu đồ (b) minh họa rõ rệt sự chênh lệch diện tích thép giữa thiết kế thực tế (an toàn quá mức) và các mô hình tính toán hiện đại.
Tuy nhiên, tại các công trình nhỏ, phương pháp dầm console vẫn là ưu tiên hàng đầu vì chi phí thiết kế thấp và ít sai sót trong khâu đọc bản vẽ. Đối với các dự án cần tối ưu vốn đầu tư hoặc các dự án có vốn nước ngoài yêu cầu kiểm tra khắt khe, việc chuyển sang kết cấu đài móng cọc thiết kế theo STM là bước đi cần thiết để đáp ứng mục tiêu phát triển bền vững.
Lưu Ý Về Chất Lượng Vật Tư Thép Trong Thi Công
Dù tính toán bằng phương pháp nào, chất lượng của kết cấu đài móng cọc vẫn phụ thuộc 50% vào chất lượng vật liệu thép. (Theo tiêu chuẩn TCVN 1651-2:2018), cốt thép phải đảm bảo độ dẻo và cường độ kéo chảy ổn định để các thanh giằng trong mô hình STM hoạt động đúng như giả thiết. Việc sử dụng thép không rõ nguồn gốc sẽ làm sai lệch toàn bộ mô hình tính toán, dẫn đến các kịch bản phá hoại nguy hiểm mà không mô hình nào có thể dự báo được.
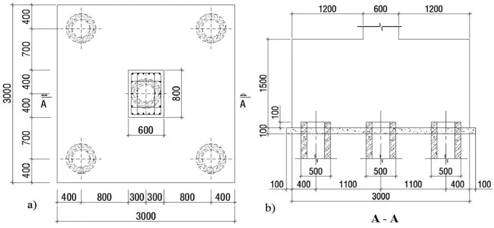
Hình 1: a), b) Mặt bằng, mặt cắt đài móng cọc M1
Mặt bằng, mặt cắt đài móng cọc M1Chú thích: Chi tiết cấu tạo đài móng điển hình với hệ thống thép lớp dưới chịu lực kéo chính.
Kinh nghiệm thực tế từ các đơn vị cung cấp thép hàng đầu như Thép Đại Phát Lộc cho thấy, việc kiểm soát CO/CQ của thép ngay từ khâu nhập kho là bước quan trọng nhất để bảo vệ tính toàn vẹn của kết cấu đài móng cọc. Trong bối cảnh giá thép biến động năm 2026, việc tối ưu hóa thiết kế sẽ giúp doanh nghiệp giảm bớt áp lực chi phí mà vẫn nâng cao được uy tín chất lượng công trình.
Việc thấu hiểu bản chất làm việc của kết cấu đài móng cọc thông qua mô hình STM 3D giúp kỹ sư đưa ra các quyết định thiết kế sắc sảo hơn. Bài viết này đã giúp người đọc nắm vững các ưu thế vượt trội của phương pháp hiện đại so với truyền thống, đồng thời cung cấp các bằng chứng thực nghiệm để áp dụng vào các dự án xây dựng trong tương lai. Kỹ thuật móng chính xác không chỉ là bài toán về an toàn mà còn là nghệ thuật tối ưu hóa tài chính trong xây dựng.
Ngày Cập Nhật 02/03/2026 by Minh Anh
